EugeneKo Posted April 8, 2023 Share Posted April 8, 2023 1 час назад, Staudio сказал: Думаю, было бы интересно, если бы Вы сделали отдельную ветку по своим разработкам. Это было бы продуктивнее и познавательнее для многих, чем терки с Макаровым)) Вряд ли что-то из моих любительских разработок интересно сегодня общественности. Уже лет 20 назад , по-моему, закончился период радиолюбительских разработок, т.к. промышленность освоила достаточно элементов, позволяющих реализовать аппаратуру c Hi-Fi/Hi-End характеристиками. Результат разработок при этом определяется квалификацией разработчиков, например, их знанием и пониманием принципов и тонкостей разводки печатных плат (китайские платы, которые попадали мне в руки, в основном, полный восторг), а так же умением исследовать результаты разработки. Я говорю об объективных исследованиях, а не "я недавно слушал аппаратуру у А, а вот сегодня у В слышу настоящее голографическое звучание металла с кассет". И при этом размещают клип на Youtube. И тут даже следование Даташитам не гарантирует результата. Например, DS LM3886 с момента его появления содержит, мягко говоря, неточность/недоговоренность, а, по моему, ошибку, которая приводит к слышимым искажениям на фронтах. Я использую со своими JBL Northridge 80 уже лет 20 усилитель на LM3886 ("правильная" реализация) с предварительными каскадами на ОРА2604. А вот уникальную разработку 35 летней давности - трёхмоторный сервоприводный катушечник с ферритовыми головками и микропроцессорным управлением движением уже давно отправил в кладовку. Пал жертвой цифровых носителей Кому это сегодня интересно? 3 1 Quote Link to comment Share on other sites More sharing options...
EugeneKo Posted April 11, 2023 Author Share Posted April 11, 2023 23 часа назад, Flaesh сказал: Не лучше в этом случае употребить словцо "почтеннейший"?.. Как вариант - "любезнейший" Удобнее всего - по имени: привычно и не имеет эмоционального окраса, который неохота анализировать. По делу: я не аудиофил, а меломан и филофонист (определился по википедии). И даже это неточно, поскольку с тех пор, как появилось видео, я любитель видеомузыки. Это определяет моё отношение к выбору элементов моего "аудиокомплекса", а именно: звук для меня не главное, а дополняющее картинку, но, обе составляющие должны быть максимально совершенны! Это мой принцип. А вот к акустике КдП при этом я особых требований не предъявляю, поскольку активно пользуюсь наушниками, которые решают акустические проблемы помещения . На своём меломанском пути я прошёл через все элементы развития этой темы, а именно, начинал с граммофона с набором шеллаковых пластинок у соседки, затем радиола Москва с электромагнитным звукоснимателем, размером и весом с маленький молоток, затем переход на пьезо и появление дисков, сначала моно, затем стерео (был интересный момент, когда моно и стерео диски имели одну обложку с отверстием под надпись, которая печаталась на внутреннем конверте). И, наконец, Estonia 010, которая уже давно не включается. С некоторого момента появился магнитофон Гинтарас, на котором впервые услышал Джери Ли Люиса и бардов (первым - Лобановского). Далее магитофоны менялись, пока я сам не сделал "идеальный", который активно и безотказно работал до момента появления CD. Начался новый этап филофонии на котором я магнитные записи заменил на CD (кроме одной, которую так и не сумел найти в оригинале MikRat & The Runaways 1965 с любимым вариантом Sea Of Live). А потом появились DVD, BR и интернет, который стал неисчерпаемым источником. Параллельно прошла музыкальная школа, Радиотехнический факультет Ленинградского электротехнического, автоматизация экспериментальных исследований в институте ядерной физики и в материаловедческом институте с постоянной разработкой прецизионной измерительной электроники. По ходу меломанства прошёл путь создания УНЧ от ламповых через много вариантов транзисторных до того, которым сейчас пользуюсь. Теперь о нём. Усилитель построен по всем правилам прецизионной аппаратуры. Это касается организации питания, выбора и размещения элементов, трассировки плат, межблочных связей. Коммутация входов обеспечивает связь земли усилителя только с подключенным источником. Усилитель выполнен в корпусе усилителя БРИГ, от которого остался только коммутатор входов, силовой трансформатор и регулятор громкости. Использована тонкомпенсация. Регуляторов тембра нет. 1 1 Quote Link to comment Share on other sites More sharing options...
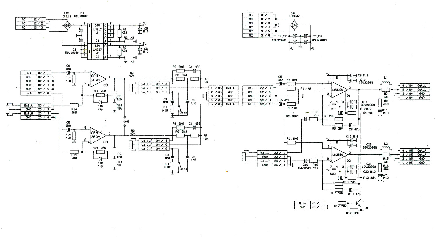
EugeneKo Posted April 11, 2023 Author Share Posted April 11, 2023 Для обеспечения оптимальной разводки земель и питания печать одной микросхемы отзеркалена и микросхема устанавливается с другой стороны печатной платы 1 1 Quote Link to comment Share on other sites More sharing options...
EugeneKo Posted April 11, 2023 Author Share Posted April 11, 2023 Внешний вид внутри. Вполне приличный, ИМХО 1 2 Quote Link to comment Share on other sites More sharing options...
EugeneKo Posted April 11, 2023 Author Share Posted April 11, 2023 Внешний вид радиолюбительский. Меня устраивает. Отчитался вчерне. Если есть вопросы - отвечу. 2 1 1 Quote Link to comment Share on other sites More sharing options...
александр шумилов Posted April 11, 2023 Share Posted April 11, 2023 не ну так грамотно отзеркалить плату, это вам не три ножки у лампы спаять. Есть на что посмотреть и чему поучиться 2 1 Quote Link to comment Share on other sites More sharing options...
EugeneKo Posted April 11, 2023 Author Share Posted April 11, 2023 Да, забыл довольно важное: схема оконечного каскада полностью из даташита. В начале эксплуатации не понравился звук. На синусе и приборы и осциллограф не показывали проблем. Они выплыли на меандре в виде звона на фронтах (насколько помню). Пришлось покопаться. Выяснилось, что причина - рекомендованный конденсатор между входами (на этой схеме его уже нет, только что стёр ). На него очень мутное описание с рекомендациями настройки в зависимости от длины выходных проводов, насколько помню . А на самом деле он создаёт положительную обратную связь, которая только создаёт проблемы в виде звонов. У меня даташит 2003 года с этим конденсатором. Я посмотрел свежий у TI - то же самое! Значат производители, вполне возможно, его так и ставят, а пипл хавает!! Трассировка китайских плат - отдельный разговор 1 1 Quote Link to comment Share on other sites More sharing options...
александр шумилов Posted April 11, 2023 Share Posted April 11, 2023 4 минуты назад, EugeneKo сказал: рекомендованный конденсатор между входами Лучше на с5 обратить внимание, он из тех что отравляют, а не озонируют. Ну хоть бы к78 поставили... Quote Link to comment Share on other sites More sharing options...
EugeneKo Posted April 11, 2023 Author Share Posted April 11, 2023 29 минут назад, александр шумилов сказал: Лучше на с5 обратить внимание, он из тех что отравляют, а не озонируют. Ну хоть бы к78 поставили... Судя по размеру там стоит плёночный, т.е. то, что нужно. Я тогда хорошо разобрался с рекомендациями Quote Link to comment Share on other sites More sharing options...
александр шумилов Posted April 11, 2023 Share Posted April 11, 2023 4 минуты назад, EugeneKo сказал: там стоит плёночный, т.е. то, что нужно. ну тогда всё в порядке Quote Link to comment Share on other sites More sharing options...
Popular Post x'tall Posted April 12, 2023 Popular Post Share Posted April 12, 2023 (... задумчиво так...) Специально честно досчитал до тысячи, прежде чем это написать, но не сдержался. Евгений, это здорово, что вы любите музыку и что-то делаете своими руками. И еще один неоспоримый плюс - дружба с родным языком. Но ураганный "влет" в ветку ЮАМ и, особенно, заданные там вопросы - уж не серчайте - сродни первоклашке, увидевшему интеграл у взрослых дядей и весело так, с задором вопросившему: а зачем вы время на разные закорючки тратите, можете по-быстрому объяснить, а то у меня времени нет во всем этом разбираться? И не тратьте свое драгоценное время: ветка ЮАМ по моим прикидам еще лет 15-20 будет для вас недоступной загадкой. А то, что выложено здесь - это "еще один усилитель", не более. В нем нет идеи, а понятие "топология" для вас осталась на уровне разводки PCM. Лет 30 назад я тоже думал, что инженерного образования более чем достаточно, чтобы сделать серьезный звук. Ан нет: получаса знакомства с Юрием Анатольевичем и его тогдашней системой быстро развеяло эту уверенность. Только в отличие от вас я тогда навострил глаза и ушки, понимая, что столкнулся с чем-то новым, неизвестным и значительно более высокого уровня, о котором ранее и подозревать не мог. Но если вас устраивает имеющееся (и выложенное здесь), то это тоже, безусловно, имеет право на жизнь. Уж не серчайте на написанное. P.S. И большое спасибо предложившим вам открыть ветку со своими откровениями: пары сообщений, схемы и выложенных фото хватило понять, ху из ху. Главное, что вы любите музыку и она вас радует. 7 4 1 Quote Link to comment Share on other sites More sharing options...
EugeneKo Posted April 12, 2023 Author Share Posted April 12, 2023 8 часов назад, x'tall сказал: (... задумчиво так... ветка ЮАМ по моим прикидам еще лет 15-20 будет для вас недоступной загадкой.) А я почти не раздумывая: попал! Задал простейший стандартный вопрос по прорекламированной в средствах массовой информации разработке из сферы моих интересов "Цель-принципы-реализация-результат", получил отповедь типа "куда прёшь. молод ещё", правда, в мягкой форме. Пол листа текста и ни одного значащего слова. Похоже на секту со скрытыми постулатами веры, недоступными для непосвящённых. Ну и пусть. Не хочу ввязываться, но разочарую: нет у нас с Вами 15-20 лет. Закончится скоро аудиофильная тема, хранение и прослушивание аудиозаписей уйдёт, заменится другой формой/формами более отвечающей задаче фиксации и распространения произведений искусства, к которым в частности относятся выступления артистов. Звукозапись это совсем молодая форма, особенно в современной музыке. Совсем недавно не было источников. И не только в России/СССР, но и в Европе (есть очень интересный документальный фильм "Блюз под Британским флагом" с суперзвёздами, рекомендую). Популярным источником, например, были записи "на костях", которыми торговали в Питере в Гостинном. Не было СТЕРЕО. Потом пошла движуха: ламповые усилители, колонки КИНАП (из кинозалов) с очень хорошим звуком, магнитофоны и, наконец, CD c WAV, которые стали основным и качественным источником. Но, они не соответствовали главной задаче - распространению произведений искусства - выступлений музыкантов и не только. Появились DVD c видео, которые стали приговором прослушиванию записей, просмотр даёт гораздо больше информации и эмоций и звук уходит на второй план. А сейчас просто прут записи концертов, клипы (отдельный вид искусства с приоритетом видеоряда) и ТВ шоу, в том числе черезвычайно интересные, живые, динамичные, например МузLOFT (с большим удовольствием посмотрел выступление Зои, талантливая зажигалка). Это удар по источникам звука для аудиофилов, поскольку в этих программах начиная с DVD используется, в основном, низкобитрейтный МР3 и ещё хуже - Dolby 5.1. PCM как то не встречается. Так что источники умирают. Техника тоже не стоит на месте. Уже сейчас моя внучка, выросшая в музыке и сама очень музыкальная, не имеет дома акустики, правнучки слушают телефоны. Задача есть - быстренько придумают портативные носимые проекторы (очки уже есть) или начнут проецировать прямо в мозг. Прогресс не остановить. Искусство полноценно идёт в массы. А звукозаписи, возможно, останутся как культовая вещь, собирают же люди старинные книги. И в обществах слепых, хотя и слепые ходят на выступления, наверное, за эмоциями. Так что я сказал Аминь 50-и килограммовым проводам (если только вся эта тема не коллективный стёб , жаль, нет смайлика ЧОКАЕМСЯ) 3 7 Quote Link to comment Share on other sites More sharing options...
promtxt Posted April 12, 2023 Share Posted April 12, 2023 3 минуты назад, EugeneKo сказал: Так что я сказал Аминь 50-и килограммовым проводам 1 Quote Link to comment Share on other sites More sharing options...
Buran81 Posted April 12, 2023 Share Posted April 12, 2023 11 минут назад, EugeneKo сказал: (если только вся эта тема не коллективный стёб Давно наблюдаю за этим "коллективом"..... И да, к сожалению не стеб. А) Для одних- предмет зарабатка на "необычном подходе". Б) Для других -сектантский кружок . ИМХО. Т.е не стоит обращать на это внимания. 2 1 1 1 Quote Link to comment Share on other sites More sharing options...
EugeneKo Posted April 12, 2023 Author Share Posted April 12, 2023 1 час назад, Buran81 сказал: Для других -сектантский кружок . Я раньше не очень обращал внимание, что это коллективное безумие. Моему приятелю - аудиофилу, который сидит с колонками B&W 700 серии в 10 метровой комнате, уставленной мебелью, и слушает абсолютно плоский звук без низких, невозможно объяснить необходимость тонкомпенсации. А тут заинтересовался и просто обомлел: технику одушевляют! Говорят о том что любит ламповый усилитель, теплоте звучания, волшебных свойствах ламп и пр. чепухе, противопоставляя транзисторному звучанию. Как мантру повторяют этот термин "транзисторное звучание", хотя это просто отголоски истории. На самом деле первые транзисторные усилители, сделанные по примитивным схемам и на совсем не пригодных для этой цели транзисторах, звучали с дефектами. Я нарвался на это примерно в 75 году, когда сделал своему приятелю - очень большому меломану, транзисторый усилитель взамен маломощного лампового для колонок КИНАП (из кинозала). Не хватало мощности на низких. Низкие прорезались, но звук ему не понравился. Это был мой единственный прокол по неопытности. Но сейчас эту пургу несут просто по инерции, не думая. Сейчас же серьёзные фирмы делают очень хорошие усилители (я говорю о микросхемах), исследуя и паспортизируя их в очень дорогих и прецизионных лабораториях. Выдают на них массу документации. Такие характеристики ни один любитель снять не может. Разговор об этом мой приятель не поддерживает. Он знает, что если он купил блок в аудиофильском магазине, то всё в порядке. Одной из его покупок был предварительный блок GREEK (правда, давно это было), который у него не получилось включить и был призван я. Выяснилось, что у блока нет питания, а в нём только коммутация и пассивные регуляторы. Но продавцы впендюрили. Аудиофилия - это религиозное понятие, вопрос веры. 1 1 1 Quote Link to comment Share on other sites More sharing options...
promtxt Posted April 12, 2023 Share Posted April 12, 2023 34 минуты назад, EugeneKo сказал: теплоте звучания Вы знаете , а всё это не лишено смысла ! Достаточно просто сравнить звучание ! Хотя бы просто разных ламп между собой ! Quote Link to comment Share on other sites More sharing options...
promtxt Posted April 12, 2023 Share Posted April 12, 2023 39 минут назад, EugeneKo сказал: Сейчас же серьёзные фирмы делают очень хорошие усилители (я говорю о микросхемах), исследуя и паспортизируя их в очень дорогих и прецизионных лабораториях. Выдают на них массу документации. Такие характеристики ни один любитель снять не может. Будет время и желание , загляните в эту тему Quote Link to comment Share on other sites More sharing options...
x'tall Posted April 12, 2023 Share Posted April 12, 2023 1 час назад, EugeneKo сказал: А я почти не раздумывая: попал! Задал простейший стандартный вопрос по прорекламированной в средствах массовой информации разработке из сферы моих интересов "Цель-принципы-реализация-результат", получил отповедь типа "куда прёшь. молод ещё", правда, в мягкой форме. Пол листа текста и ни одного значащего слова. Похоже на секту со скрытыми постулатами веры, недоступными для непосвящённых. Ну и пусть. Не хочу ввязываться, но разочарую: нет у нас с Вами 15-20 лет. Закончится скоро аудиофильная тема, хранение и прослушивание аудиозаписей уйдёт, заменится другой формой/формами более отвечающей задаче фиксации и распространения произведений искусства, к которым в частности относятся выступления артистов. Звукозапись это совсем молодая форма, особенно в современной музыке. Совсем недавно не было источников. И не только в России/СССР, но и в Европе (есть очень интересный документальный фильм "Блюз под Британским флагом" с суперзвёздами, рекомендую). Популярным источником, например, были записи "на костях", которыми торговали в Питере в Гостинном. Не было СТЕРЕО. Потом пошла движуха: ламповые усилители, колонки КИНАП (из кинозалов) с очень хорошим звуком, магнитофоны и, наконец, CD c WAV, которые стали основным и качественным источником. Но, они не соответствовали главной задаче - распространению произведений искусства - выступлений музыкантов и не только. Появились DVD c видео, которые стали приговором прослушиванию записей, просмотр даёт гораздо больше информации и эмоций и звук уходит на второй план. А сейчас просто прут записи концертов, клипы (отдельный вид искусства с приоритетом видеоряда) и ТВ шоу, в том числе черезвычайно интересные, живые, динамичные, например МузLOFT (с большим удовольствием посмотрел выступление Зои, талантливая зажигалка). Это удар по источникам звука для аудиофилов, поскольку в этих программах начиная с DVD используется, в основном, низкобитрейтный МР3 и ещё хуже - Dolby 5.1. PCM как то не встречается. Так что источники умирают. Техника тоже не стоит на месте. Уже сейчас моя внучка, выросшая в музыке и сама очень музыкальная, не имеет дома акустики, правнучки слушают телефоны. Задача есть - быстренько придумают портативные носимые проекторы (очки уже есть) или начнут проецировать прямо в мозг. Прогресс не остановить. Искусство полноценно идёт в массы. А звукозаписи, возможно, останутся как культовая вещь, собирают же люди старинные книги. И в обществах слепых, хотя и слепые ходят на выступления, наверное, за эмоциями. Так что я сказал Аминь 50-и килограммовым проводам (если только вся эта тема не коллективный стёб , жаль, нет смайлика ЧОКАЕМСЯ) (... в еще больших раздумьях...) Мдя... Начало напоминает неверящую слезам Москву, где "будет только телевидение", затем краски сгущаются до Булгаковского "налета земли на небесную ось" и резюмируется тем, что "и вааще это нафик никому не нужно будет". В сухом остатке вопрос: при таком псесимистическом (с) прогнозе, зачем было в Макаровскую ветку лезть - народ баламутить? Ваш пост вызвал такой оживляж, а вы его тут же, одномоментно, да в мрачную бездну низвергли... "За что ж вы Ваньку-то Морозова?" (с) P.S. Если то, что вы подразумеваете под нынешним "полноценно идущим в массы" - это наше будущее, то лично я предпочту остаться в прошлом с теми "звукозаписями", что остались в качестве "культовой вещи". И что-то мне подсказывает, что буду не одинок. P.P.S. За упоминание КИНАПов, музыки "на костях" и краткого анализа технического прогресса отдельное спасибо. Вследствие возраста, все это проходил, а со звуковым прогрессом до сих пор не расстаюсь. Посему откланиваюсь и обещаю более не отвлекать вас своей писаниной. Удачи! 5 3 1 Quote Link to comment Share on other sites More sharing options...
promtxt Posted April 12, 2023 Share Posted April 12, 2023 5 минут назад, x'tall сказал: И что-то мне подсказывает, что буду не одинок. Я Вас в этом поддержу ! 2 1 Quote Link to comment Share on other sites More sharing options...
EugeneKo Posted April 12, 2023 Author Share Posted April 12, 2023 51 минуту назад, promtxt сказал: Будет время и желание , загляните в эту тему Заглянул, но там нечего смотреть: нет схемы. А по обсуждению микросхем: понятно, что lm318 имеет лучшие характеристики и по частоте и по скорости нарастания, но непонятно, как это сказывается в конкретной схеме, т.к. её нет. А по поводу оценки на слух я твёрд в своей позиции: это не технический , а психологический вопрос. Оценивать надо по объективным параметрам в их сравнении. Тем более, участники владеют каким то комплексом оценки. Вот пусть снимут характеристики с одного источника, сравнят и выложат. А то: Детализация , микро- и макродинамика у ультралинейника сумасшедшие - смешно 4 1 Quote Link to comment Share on other sites More sharing options...
EugeneKo Posted April 12, 2023 Author Share Posted April 12, 2023 1 час назад, x'tall сказал: "За что ж вы Ваньку-то Морозова?" Так ваша компания сама меня морочит, а я то ни в чём не виноват! Для чего разместили в Ютубе провокационный ролик с антинаучной подоплёкой? 1 час назад, x'tall сказал: Если то, что вы подразумеваете под нынешним "полноценно идущим в массы" - это наше будущее, то лично я предпочту остаться в прошлом с теми "звукозаписями", что остались в качестве "культовой вещи" Это Ваше право, оставайтесь с тем, что есть. Но поймите, что это быстро потеряет актуальность так же, как потеряли актуальность граммофоны с пластинками на 78, коллекции магнитофонных записей на бабинах с магнитофонами, а затем коллекции на кассетах (это вообще анекдот!), да, в общем то, и коллекции грампластинок с проигрывателями сейчас реанимируют напрасно. Мои так и зависли в состоянии 20-летней давности. Причина - в задаче всех этих средств представления произведений искусства обществу. Искусство же служит обществу?! Средства, используемые для передачи результата деятельности художника публике, должны делать это без искажений, верно? До недавних пор эти средства были очень ограничены: сначала изображение, фотография, начиная с дагерротипов (Вы их видели? Захотите - покажу), затем звук, начиная с фонографов, ролики которых являются большой коллекционной ценностью (показать не смогу, нет их у меня ), до CD. Но, это всё частичная передача свойств произведения, не позволяющая создать пользователю полного впечатления (почитайте Р.Шекли "Четыре стихии", там всё очень внятно изложено. Надо, чтобы все составляющие образа сложились и только тогда образ воссоздастся у зрителя во всей полноте и блеске. Очень люблю этот рассказ!). На сегодняший день отдельное использование фото практически умерло, мой приятель, владелец роскошной студии продал её Додо Пицце, звук переместился в телефоны, акустика мало у кого осталась. Перспективы я вижу именно в видео (да это и понятно), хотя оно не передаёт или плохо передаёт эмоции. Но, это отдельный разговор. 1 Quote Link to comment Share on other sites More sharing options...
Moderators Staudio Posted April 12, 2023 Moderators Share Posted April 12, 2023 24 минуты назад, EugeneKo сказал: Так ваша компания сама меня морочит, а я то ни в чём не виноват! Для чего разместили в Ютубе провокационный ролик с антинаучной подоплёкой? Это Ваше право, оставайтесь с тем, что есть. Но поймите, что это быстро потеряет актуальность так же, как потеряли актуальность граммофоны с пластинками на 78, коллекции магнитофонных записей на бабинах с магнитофонами, а затем коллекции на кассетах (это вообще анекдот!), да, в общем то, и коллекции грампластинок с проигрывателями сейчас реанимируют напрасно. Мои так и зависли в состоянии 20-летней давности. Причина - в задаче всех этих средств представления произведений искусства обществу. Искусство же служит обществу?! Средства, используемые для передачи результата деятельности художника публике, должны делать это без искажений, верно? До недавних пор эти средства были очень ограничены: сначала изображение, фотография, начиная с дагерротипов (Вы их видели? Захотите - покажу), затем звук, начиная с фонографов, ролики которых являются большой коллекционной ценностью (показать не смогу, нет их у меня ), до CD. Но, это всё частичная передача свойств произведения, не позволяющая создать пользователю полного впечатления (почитайте Р.Шекли "Четыре стихии", там всё очень внятно изложено. Надо, чтобы все составляющие образа сложились и только тогда образ воссоздастся у зрителя во всей полноте и блеске. Очень люблю этот рассказ!). На сегодняший день отдельное использование фото практически умерло, мой приятель, владелец роскошной студии продал её Додо Пицце, звук переместился в телефоны, акустика мало у кого осталась. Перспективы я вижу именно в видео (да это и понятно), хотя оно не передаёт или плохо передаёт эмоции. Но, это отдельный разговор. Просто вы музыку не любите)) 4 Quote Link to comment Share on other sites More sharing options...
EugeneKo Posted April 12, 2023 Author Share Posted April 12, 2023 12 минут назад, Staudio сказал: Просто вы музыку не любите) А я не знаю, что это такое "любить музыку". Она живёт со мной 1 2 Quote Link to comment Share on other sites More sharing options...
EugeneKo Posted April 13, 2023 Author Share Posted April 13, 2023 12 часов назад, promtxt сказал: Достаточно просто сравнить звучание ! Хотя бы просто разных ламп между собой ! А изложите, пожалуйста, методику сравнения ламп и анализа результатов. Quote Link to comment Share on other sites More sharing options...
EugeneKo Posted April 13, 2023 Author Share Posted April 13, 2023 19 часов назад, promtxt сказал: Будет время и желание , загляните в эту тему Я несколько поспешил, давая первый ответ на этот пост. Сейчас почитал тему - интересно, буду за ней следить. Есть и вопросы того же типа, что я задал тут, но пока не буду их задавать, чтобы их тоже не посчитали крамолой. Promtxt, спасибо за ссылку. 1 Quote Link to comment Share on other sites More sharing options...
Recommended Posts
Join the conversation
You can post now and register later. If you have an account, sign in now to post with your account.
Note: Your post will require moderator approval before it will be visible.